Стаж работы магазина ARTOU Store можно посмотреть на странице заказа товара.
*Внимание! Точную цену на данный товар Вы можете узнать непосредственно у продавца! На 20.04.2026 стоимость указанная на данной странице уже могла измениться! * Узнать цену *
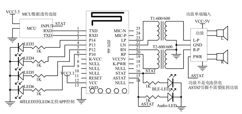
Информация о продукте JDY-64 поддерживает двухрежимный bluetooth-дизайн и поддерживает Двухканальное воспроизведение стерео без потерь и передачу данных Bluetooth BLE. Он может установить имя трансляции аудио Bluetooth, сложение громкости и вычитание, воспроизведение музыки сверху и снизу, позвонить и отказаться от ответа на вызов через последовательный порт по команде. BLE broadcast name, serial port baud rate и другие элементы управления, общая производительность очень выгодная. Приложений 1. Автомобильный DSP аудио 2. Bluetooth аудио светильник 3. Bluetooth аудио цифровая игрушка 4. Bluetooth аудио 5.BLE прозрачное применение передачи 6. Делитесь мобильным питанием, Разделяйте весовые весы 7. Медицинские инструменты Pin описание функции TXD: серийного производства RXD: последовательного ввода P14: выход IO поддерживает управление приложениями высокого и низкого уровня, низкий уровень по умолчанию P13: выход IO поддерживает управление приложениями высокого и низкого уровня, низкий уровень по умолчанию P12: выход IO поддерживает управление приложениями высокого и низкого уровня, низкий уровень по умолчанию P10: выход IO поддерживает управление приложениями высокого и низкого уровня, низкий уровень по умолчанию K-VCC: Кнопка питания Сброс: Сброс pin (низкий сброс) VCC: Мощность блока питания (2,7-4,2 V) Заземление: сила земли ASTAT: штырь состояния аудиоподключения (не подключен низко, подключен высоко) STAT: штырь состояния подключения BLE (не подключен низко, подключен высоко) K-PWR: Кнопка питания VCC5V: 5 в источник питания RP: правый канал дифференциальный положительный выходной штырь RN: правый канал дифференциальный отрицательный выходной штырь LN: левый канал дифференциальный положительный выходной штырь LP: левый канал дифференциальный отрицательный выходной штырь MIC-P: положительный вход для микрофона MIC-N: головка микрофона с отрицательным входом
Отзывы о других товарах
Екатерина: Раньше я никогда не заказывала вещи в интернет-магазине, но все знакомые девчонки постоянно покупают своим деткам через этот сайт. Я тоже решила попробовать заказат...
Читать полностью...
Елена: Заказала этот спортивный костюм, поскольку давно хотела именно такой. К тому же мне и цена понравилась. Гораздо дешевле чем в магазинах нашего города....
Читать полностью...
Тая: Я купила себе сразу три таких бюстгальтера в разных цветах. Бюстгальтеры оригинальной формы, за счет этого хорошо смотрятся. Но самые ...
Читать полностью...
Сергей: Заказывал это пальто месяц назад, доставка была недолгой. Порадовало, что как раз попал на хорошую скидку. Покупкой доволен...
Читать полностью...
Максим Сергеевич: Великолепные и относительно недорогие классические джинсы. Как ни странно это звучит, но до этого момента я не мог найти...
Читать полностью...
Оксана: Довольно не плохой конструктор , заказывали его для дочки так как хотела себе домик для принцессы. Пришло все в точности как в описании , все целое и к...
Читать полностью...
Данный товар, можно так же приобрести с кэшбэком до 5%! Подробнее тут:





